TAPG zum Anschrauben ohne Schraube
Der Lastbügel muss frei beweglich sein und darf nicht an Kanten oder am Anschlagpunkt abstützen.
Abweichende Ausführungen und Längen sind auf Anfrage lieferbar.
Auf Anfrage auch mit RFID - Chip lieferbar.
TRAGFÄHIGKEITEN
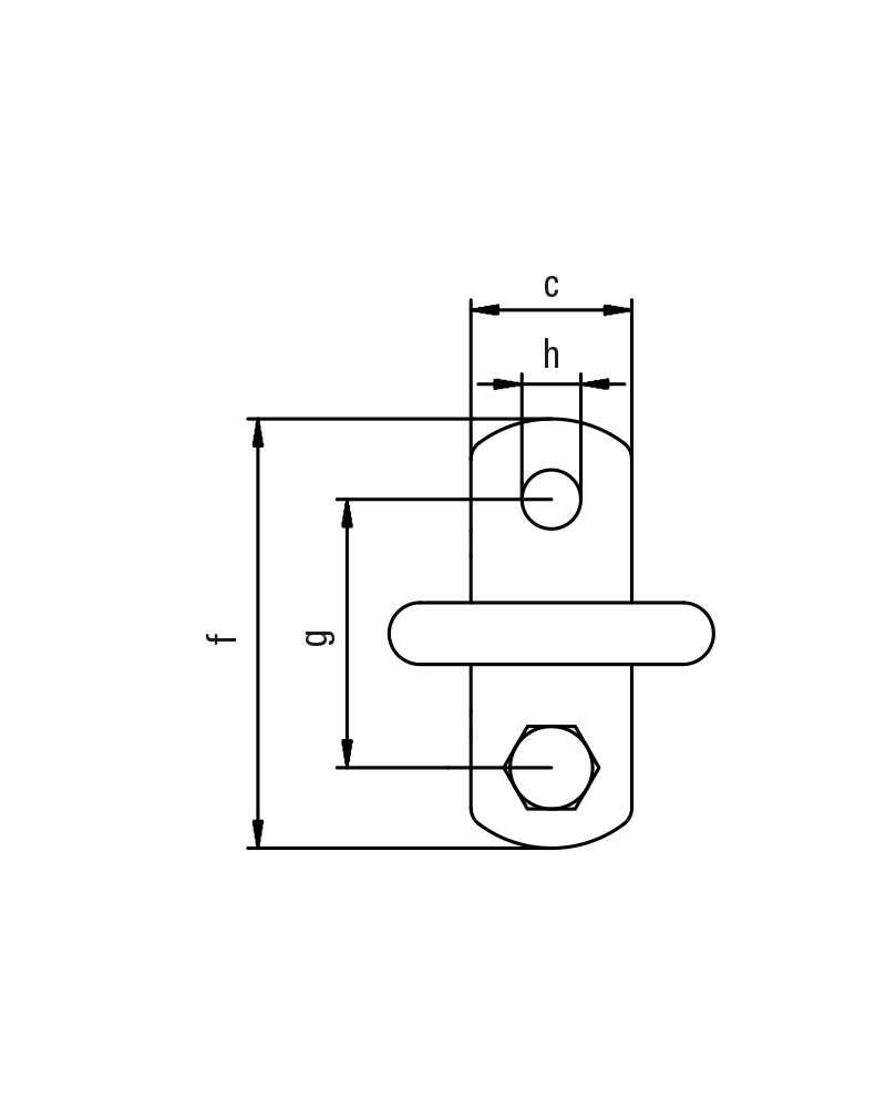
Maße und Gewicht TAPG
| Bezeichnung | Anziehdrehmoment | Gewicht | Artikel-Nr. | Download 3D | ||||||||||
|---|---|---|---|---|---|---|---|---|---|---|---|---|---|---|
[Nm] |
a [mm] |
b [mm] |
c [mm] |
d [mm] |
e [mm] |
f [mm] |
g [mm] |
h [mm] |
l [mm] | [kg] | 0° 45° 90° | |||
| TAPG 3 | 210 | 12 | 56 | 50 | 18 | 34 | 130 | 90 | 21 | 51 | 1,08 | 0380503200 | Jetzt anfragen | |
| TAPG 5 | 290 | 15 | 67 | 60 | 22 | 42 | 160 | 110 | 25 | 63 | 2,04 | 0380505200 | Jetzt anfragen | |
| TAPG 8 | 550 | 20 | 80 | 70 | 26 | 55 | 190 | 130 | 28 | 67 | 3,58 | 0380508200 | Jetzt anfragen | |
Zusatzinformationen

Der Anschlagpunkt zum Anschrauben, in den Tragfähigkeiten von 3 - 8 t.
Seine Vorteile sind:
- Kompakte Bauweise
- Vierfache Sicherheit gegen Bruch
- 120° Arbeitsbereich des Bügels
- Anschraubblech dient auch als Anreissschablone
- einschl. Schrauben 100% rissgeprüft
Lastbügel muss frei beweglich sein und darf sich nicht an Kanten oder am Anschlagpunkt abstützen.
120° Arbeitsbereich
| Anschlagart | ![]() | ![]() | ![]() | ![]() | |||
| Stück | 1 | 2 | 2 | 2 | 3 o. 4 | 3 o. 4 | |
| Neigungswinkel | 0° | 0° | 0° | 0°-45° | 45°-60° | 0°-45° | 45°-60° |
| Nenntragfähigkeit | Tragfähigkeit | Tragfähigkeit | Tragfähigkeit | Tragfähigkeit | Tragfähigkeit | Tragfähigkeit | |
| Bezeichnung | t | t | t | t | t | t | t |
| TAPG-S / TAPG 3 | 3,15 | 4,75 | 9,5 | 4,25 | 3,15 | 6,3 | 4,75 |
| TAPG-S / TAPG 5 | 5,3 | 8 | 16 | 7,1 | 5,3 | 11,2 | 8 |
| TAPG-S / TAPG 8 | 8 | 12 | 24 | 11,2 | 8 | 16 | 12 |
Bei unsymmetrischer Lastverteilung gelten für die 2- und 3/4-strängigen Anschlagketten die Nenntragfähigkeiten.
SIE HABEN NOCH FRAGEN ZU EINEM BESTIMMTEN PRODUKT?
Rufen Sie uns gerne unter folgender Telefonnummer an. Wir beraten Sie gerne!










